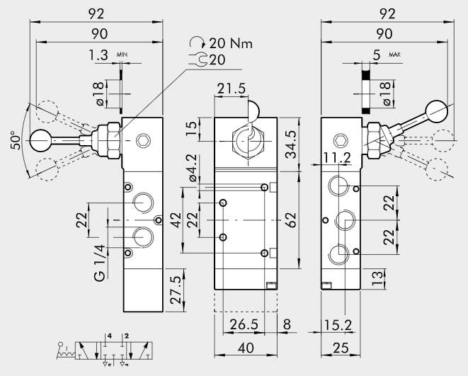
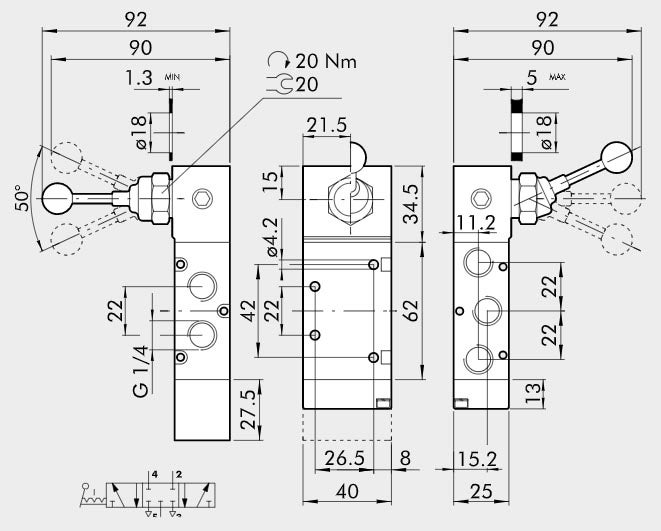
VENTIL MAV 36 LEO 1/4 CC




Detaljer
Artikelnummer:
MAV36LEO14CC
Lev. artikelnummer:
7020000500
Antal/förpackning:
1
Antal i lager:
1
Lagerstatus:
Skickas inom 24h
Beskrivning
Mekanisk ventil med bistabil funktion. Tillhör 70-serien och är av ventiltypen 5/3.
- Flöde (6 bar): 1100 l/min
- Specifikation: CC-Closed Centres



