ST



VENTIL MAV 26 LES 1/8 CC
Detaljer
Artikelnummer:
MAV26LES18CC
Lev. artikelnummer:
7010001000
Antal/förpackning:
1
Antal i lager:
1
Lagerstatus:
Skickas inom 24h
Beskrivning
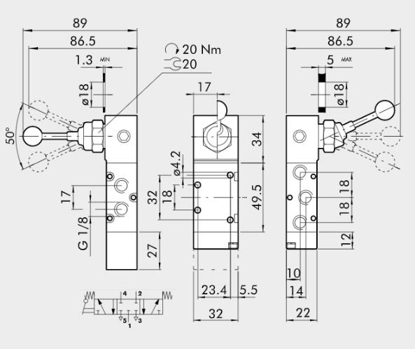
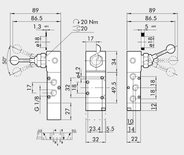
Mekanisk ventil med monostabil funktion. Tillhör 70-serien och är av ventiltypen 5/3.
- Flöde (6 bar): 550 l/min
- Specifikation: CC-Center Closed



