ST



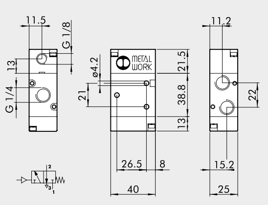
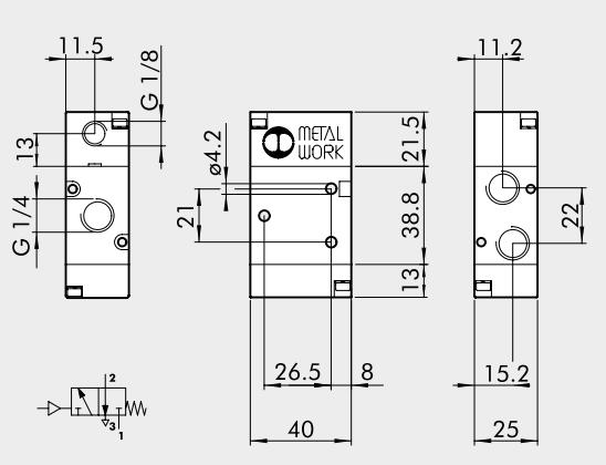
VENTIL PNV 33 PNS 1/4 NC
Detaljer
Artikelnummer:
PNV33PNS14NC
Lev. artikelnummer:
7020010200
Antal/förpackning:
1
Antal i lager:
3
Lagerstatus:
Skickas inom 24h
Beskrivning
Luftstyrd ventil med monostabil funktion. Tillhör 70-serien och är av ventiltypen 3/2.
- Flöde (6 bar): 1100 l/min
- Specifikation: NC-Normally Closed



